Kami memberikan berbagai solusi segel statis yang berputar, mencakup standar umum dan produk khusus bertekanan tinggi. RCFL106/102 dan RCK126 adalah model dasar dengan struktur sederhana dan aplikasi luas; RCS130/131 dan RCFL108 mengadopsi desain pemasangan diameter luar ekstrusi untuk memastikan stabilitas embedding alur; RCK120/127 dan produk seri serupa lainnya mencapai keandalan yang sama melalui pemasangan diameter dalam ekstrusi.
Menanggapi kebutuhan penyegelan flensa, RCF110 dan RCR118 dapat menanggung tekanan di kedua arah, dan arah tekanan harus ditunjukkan saat memesan. Lini produk sepenuhnya mencakup kondisi kerja bertekanan rendah untuk tekanan tinggi, dan bahannya tahan terhadap keausan dan tahan korosi, dan banyak digunakan dalam sistem hidrolik, koneksi pipa dan penyegelan peralatan industri.
Fitur dan Aplikasi Produk:
Aplikasi: Tujuan Umum, Segel ID, Segel OD, Segel Aksial
Spesifikasi dan alur cincin-O
Ukuran pesanan
Φd1 ...... diameter dalam
Φd2 ...... Diameter bagian
Contoh pemesanan
Model: RCFL106
Diameter Bagian Diameter Dalam: 14x1.8
Bahan: NBR
Aplikasi
Tekanan dari dalam: O-ring dikompresi dari diameter luar
Tekanan dari luar: O-ring dikompresi dari diameter dalam
O-cincin memiliki toleransi manufaktur yang tepat. Toleransi yang diijinkan telah distandarisasi menurut DIN3771 dan ISO3601/1 (diameter penampang hingga 7mm, diameter dalam hingga 670mm). Toleransi yang sesuai ditunjukkan pada tabel berikut.
| Toleransi Bagian | ||||||||
| Bagian | 1.80 | 2.65 | 3.55 | 5.30 | 7.00 | 8.4 | 10.00 | 12.00 |
| Toleransi | ± 0,08 | ± 0,09 | ± 0,10 | ± 0,13 | ± 0,15 | ± 0,18 | ± 0,21 | ± 0,25 |
| Toleransi diameter dalam | ||||||||||
| Diameter dalam | 1.80 ~ 6.30 | 6.70 ~ 11.20 | 11.8 ~ 21.2 | 22.4 ~ 40.0 | 41.2 ~ 80.0 | 82.5 ~ 160 | 165 ~ 300 | 300 ~ 650 | 670 ~ 910 | 910 ~ 1180 |
| Toleransi | ± 0,13 | ± 0,16 | ± 0,19 | ± 0,95 | ± 0,86 | ± 0,78 | ± 0,74 | ± 0,67 | ± 0,60 | ± 0,65 |
| Persentase Diameter Dalam yang sesuai | ||||||||||
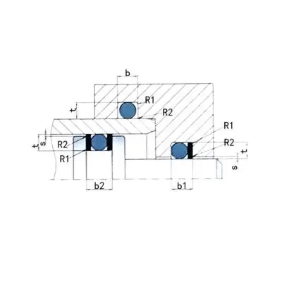
Ukuran alur
![]() |
||||||||||
| Bagian d2 | Kedalaman alur t | Unit Lebar Groove: MM (+0.20) | Radius R1 mm | |||||||
| mm | Statis | Dinamis (hidrolik) | Dinamis (pneumatik) | B Tidak ada cincin penahan | B1 1 cincin penahan | B2 2 cincin penahan | ||||
| 1.00 | 0.65 | ± 0,05 | 0.75 | ± 0,02 | 0.80 | ± 0,02 | 1.4 | 2.4 | 3.4 | 0.2-0.4 |
| 1.50 | 1.05 | 1.20 | 1.25 | 2.0 | 3.0 | 4.0 | 0.2-0.4 | |||
| 1.80 | 1.30 | 1.45 | 1.55 | 2.4 | 3.4 | 4.4 | 0.2-0.4 | |||
| 2.00 | 1.50 | 1.65 | 1.75 | 2.7 | 3.7 | 4.7 | 0.2-0.4 | |||
| 2.50 | 1.95 | 2.10 | 2.20 | 3.4 | 4.9 | 6.4 | 0.2-0.4 | |||
| 2.65 | 2.05 | 2.25 | 2.35 | 3.6 | 5.1 | 6.6 | 0.2-0.4 | |||
| 3.00 | 2.40 | 2.55 | 2.70 | 4.2 | 5.7 | 7.2 | 0.2-0.4 | |||
| 3.50 | 2.80 | ± 0,07 | 3.05 | ± 0,05 | 3.20 | ± 0,05 | 4.8 | 5.3 | 7.8 | 0.3-0.6 |
| 3.55 | 2.85 | 3.10 | 3.25 | 4.8 | 6.3 | 7.8 | 0.3-0.6 | |||
| 4.00 | 3.25 | 3.50 | 3.65 | 5.4 | 6.9 | 8.4 | 0.3-0.6 | |||
| 5.00 | 4.15 | ± 0,10 | 4.45 | 4.65 | 6.8 | 8.8 | 10.8 | 0.3-0.6 | ||
| 5.30 | 4.40 | 4.70 | 4.90 | 7.2 | 9.3 | 11.2 | 0.6-1.0 | |||
| 7.00 | 5.85 | 6.25 | 6.55 | 9.6 | 12.1 | 14.6 | 0.6-1.0 | |||
| 8.40 | 7.10 | 7.50 | 7.90 | 12.9 | 13.4 | 15.6 | 0.6-1.0 | |||











Alamat
Jalan Ruichen No.1, Taman Industri Dongliuting, Distrik Chengyang, Kota Qingdao, Provinsi Shandong, Cina
Telp