Ruichen berada di garis depan inovasi teknologi penyegelan. Segel debu bertekanan tinggi yang dikembangkan secara independen jangkar tuntutan bagian-bagian yang bergerak, dan gunakan cincin debu PTFE dan cincin-O untuk menciptakan perlindungan yang sangat baik. Saat bekerja, cincin-O menerapkan preload yang stabil untuk mengkompensasi keausan cincin PTFE setiap saat, memastikan stabilitas segel jangka panjang; Cincin debu menggunakan bahan pengisian anti-pakaian untuk sangat menahan invasi debu. Misalnya, di sambungan silinder hidrolik mesin konstruksi, menghadap debu di lokasi konstruksi, segel debu bertekanan tinggi secara efektif memblokir intrusi debu dan memastikan kelancaran pengoperasian silinder; Tautan ayunan bolak-balik dari lengan robot dari jalur produksi otomatis, segel debu melindungi bagian-bagian presisi dari gangguan debu dan mempertahankan operasi presisi tinggi; dan perangkat pengangkut spiral dari peralatan penambangan, di lingkungan debu bijih, segel debu bertekanan tinggi memastikan pengoperasian peralatan yang stabil, mengurangi potensi kesalahan, dan memperpanjang umur peralatan. Ruichen Sealing telah fokus pada pengembangan mendalam untuk waktu yang lama. Mengandalkan tim profesional dan fasilitas mutakhir, tetapi juga tidak hanya dapat menyesuaikan bahan penyegelan berkinerja tinggi sesuai dengan kebutuhan pelanggan dan secara mandiri mengontrol kualitas produksi, tetapi juga memesan bahan yang kaya dan beragam seperti polioksimetilen, membantu pelanggan untuk mengatasi berbagai masalah penyegelan dalam satu perhentian dan bekerja bersama untuk mencapai ketinggian baru di industri.
Kondisi kerja penyegelan kedap debu
| Profil | Model | Suhu (℃) | Kecepatan (M/S) | Media |
![]() |
RCF01 | -35 ~+100 (pencocokan O-ring NBR) | 6 | Minyak hidrolik, emulsi, air, dll. |
| -20 ~+200 (pencocokan O-ring FKM) | ||||
![]() |
RCF02 | -35 ~+100 (pencocokan O-ring NBR) | 6 | Minyak hidrolik, emulsi, air, dll. |
| -20 ~+200 (pencocokan O-ring FKM) | ||||
![]() |
RCF03 | -35 ~+100 (pencocokan O-ring NBR) | 6 | Minyak hidrolik, emulsi, air, dll. |
| -20 ~+200 (pencocokan O-ring FKM) | ||||
![]() |
RCF04 | -35 ~+100 (pencocokan O-ring NBR) | 6 | Minyak hidrolik, emulsi, air, dll. |
| -20 ~+200 (pencocokan O-ring FKM) | ||||
![]() |
RCF05 | -35 ~+100 (pencocokan O-ring NBR) | 6 | Minyak hidrolik, emulsi, air, dll. |
| -20 ~+200 (pencocokan O-ring FKM) |
Contoh Pemesanan:
Model Pesanan RCF01-80-PTFE3-R01
RCF01-Model 80-poros diameter PTFE3-UNIVERSAL PTFE R01-pencocokan kode material karet
Nitrile Rubber (NBR) -R01 Fluororubber (FKM) -R02
Model Pesanan RCF02-80-PTFE3-R01
RCF02-Model 80-poros diameter PTFE3-general Modifikasi PTFER01-pencocokan kode material karet
NBR (NBR) -R01 Fluororubber (FKM) -R02
Model Pesanan RCFO3-80-PTFE3 -R01
RCF03-Model 80-poros diameter PTFE3-general Modifikasi PTFE R01-pencocokan Kode material karet
Nitrile Rubber (NBR) -R01 Fluororubber (FKM) -R02
Model Pesanan RCF04-80-PTFE3-R01
RCF04-Model 80-poros diameter PTFE3-general Modifikasi PTFE R01-pencocokan Kode material karet
Nitrile Rubber (NBR) -R01 Fluororubber (FKM) -R02
Model Pesanan RCF04-80-PTFE3-R01
RCF04-Model 80-poros diameter PTFE3-general Modifikasi PTFE R01-pencocokan Kode material karet
Nitrile Rubber (NBR) -R01 Fluororubber (FKM) -R02
Model Pesanan RCF05-80-PTFE3-R01
RCF05-Model 80-poros diameter PTFE3-general Modifikasi PTFE R01-pencocokan Kode material karet
Nitrile Rubber (NBR) -R01 Fluororubber (FKM) -R02
Spesifikasi:
| Spesifikasi RCF01 (Produk dari segala ukuran dalam kisaran parameter dapat disediakan) | ||||||
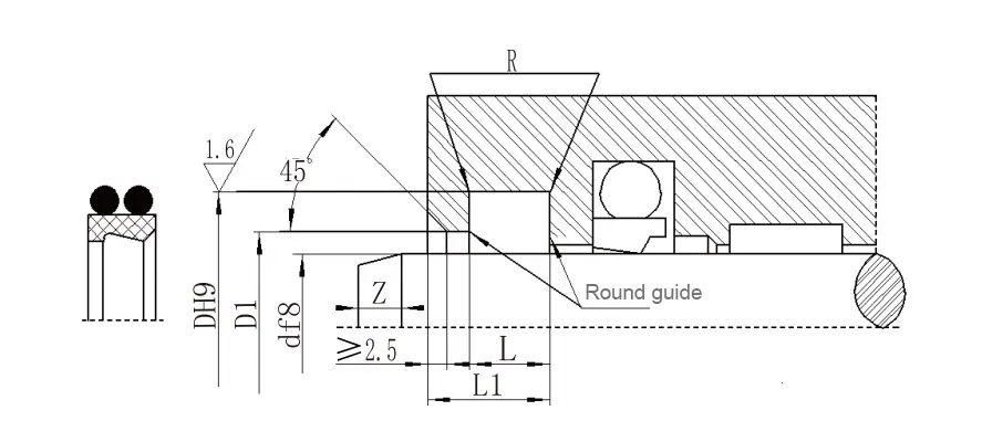
| Kisaran diameter poros D f8 |
Diameter alur D H9 |
Lebar alur L+0.2 |
Diameter lubang terbuka D1 H11 |
Lebar lubang terbuka a≥ |
Sudut bulat R≤ |
Diameter kawat o-ring D0 |
| 19 ~ 39 | D+7.6 | 4.2 | D+1.5 | 3 | 0.8 | 2.65 |
| 40 ~ 69 | D+8.8 | 6.3 | D+1.5 | 3 | 0.8 | 2.65 |
| 70 ~ 139 | D+12.2 | 8.1 | D+2.0 | 4 | 0.8 | 3.55 |
| 140 ~ 399 | D+16.0 | 9.5 | D+2.5 | 5 | 1.5 | 5.30 |
| 400 ~ 649 | D+24.0 | 14 | D+2.5 | 8 | 1.5 | 7.00 |
| 650 ~ 1500 | D+27.3 | 16 | D+2.5 | 10 | 2.0 | 8.60 |
| RCF02, Tabel Parameter Spesifikasi RCF03 (Produk dari segala ukuran dalam kisaran parameter dapat disediakan) | ||||||
| Kisaran diameter poros D f8 |
Diameter alur D H9 |
Lebar alur L+0.2 |
Diameter lubang terbuka D1 H11 |
Lebar lubang terbuka a≥ |
Sudut bulat R≤ |
Diameter kawat o-ring D0 |
| 4 ~ 11 | D+4.8 | 3.7 | D+1.5 | 2 | 0.4 | 1.8 |
| 12 ~ 64 | D+6.8 | 5 | D+1.5 | 2 | 0.7 | 2.65 |
| 65 ~ 250 | D+8.8 | 6 | D+1.5 | 3 | 1.0 | 3.55 |
| 251 ~ 420 | D+12.2 | 8.4 | D+2.0 | 4 | 1.5 | 5.30 |
| 421 ~ 650 | D+16.0 | 11 | D+2.0 | 4 | 1.5 | 7.00 |
| 651 ~ 1500 | D+20.0 | 14 | D+2.5 | 5 | 2.0 | 8.60 |
| Tabel Parameter Spesifikasi RCF04 (Produk dari segala ukuran dalam rentang parameter dapat disediakan) | ||||||
| Kisaran diameter poros D f8 |
Diameter alur Dh9 |
Diameter langkah D1 H11 |
Lebar alur L+0.2 |
Lebar keseluruhan L1 |
Sudut bulat Rmax | Panjang talang Zmin |
| 20 ~ 39.9 | D+7.6 | d+1 | 4.2 | 8.2 | 0.4 | 3 |
| 40 ~ 69.9 | D+8.8 | D+1.5 | 6.3 | 10.3 | 1.2 | 4 |
| 70 ~ 139.9 | D+12.2 | D+2.0 | 8.1 | 12.1 | 2 | 6 |
| 140 ~ 399.9 | D+16.0 | D+2.0 | 11.5 | 15.5 | 2 | 8 |
| 400 ~ 649.9 | D+24.0 | D+2.5 | 15.5 | 19.5 | 2 | 10 |
| 650 ~ 1000 | D+27.3 | D+2.5 | 18.0 | 23.0 | 2 | 12 |
| Tabel Parameter Spesifikasi RCF05 (Produk dari segala ukuran dalam rentang parameter dapat disediakan) | ||||||
| Kisaran diameter poros D f8 | Diameter alur Dh9 | Diameter langkah D1 H11 | Lebar alur L+0.2 |
Lebar samping L1 |
Sudut bulat Rmax |
Panjang talang Zmin |
| 100 ~ 229 | D+22.2 | D+10.7 | 6.3 | 4.2 | 1.2 | 6 |
| 230 ~ 299 | D+24.2 | D+10.7 | 6.3 | 4.2 | 1.2 | 8 |
| 300 ~ 629 | D+33.0 | D+15.1 | 8.1 | 6.3 | 1.2 | 10 |
| 630 ~ 1000 | D+36.5 | D+15.1 | 9.5 | 6.3 | 2 | 12 |
Aplikasi:
Terutama digunakan dalam mesin pertanian, mesin cetak hidrolik, mesin cetakan injeksi, sistem kontrol hidrolik, forklift, mesin cetak roller, crane, mesin bongkar muat, dll.











Alamat
Jalan Ruichen No.1, Taman Industri Dongliuting, Distrik Chengyang, Kota Qingdao, Provinsi Shandong, Cina
Telp